浙江给排水资料库

 找回密码
 注册
查看: 92|回复: 0

[相关规范] 《公路隧道设计规范 第二册 交通工程与附属设施》JTG D70/2规范组回函2016-0217

[复制链接]
发表于 2026-1-6 11:26:00 | 显示全部楼层 |阅读模式
关于对规范中公路隧道消防水池容量取值规定的回复
中国公路工程咨询集团有限公司:
    在确定公路隧道消防水池容量时,贵公司对行业标准《公路隧道设计规范 第二册 交通工程与附属设施》(JTG D70/2-2014)的第一种理解是正确的,即:用水量按10.2.6条计算即可,不叠加10.2.9条室外消火栓用水量(计算用水量时,不考虑洞内消火栓与洞外消火全过程、全流量同步使用)。
  特此澄清。
                招商局重庆交通院有限公司《公路隧道设计规范 第二册交通工程与附属设施》(JTG D70/2-2014)日常管理组   2016年2月17日

关于恳请澄清公路隧道消防水池容量计算依据的函
招商局重庆交通科研设计院有限公司:
     中华人民共和国行业标准JTG D70/2-2014《公路隧道设计规范第二册交通工程与附属设施》(简称“该标准”)于2014年8月1日起施行。在执行该标准的过程中,就公路隧道消防水池容量(一次火灾防用水量)如何确定存在理解分歧。如下:
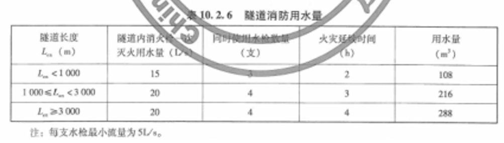
1、该标准第第10.2.6条规定如下(原文截图):
  10.2.6  隧道消高角永最应按发生一次火灾的灭火用水量确治且不应小于表10.2.6的规定值。
image.png

2、该标准第10.2.9条规定如下(原文截图):
    10.2.9  设防给水设施的隧道,否洞山附近点设置室外消大快和消防水泵接合器,其数景应根要龙道消防用水量计算确定。每不卜消火栓合器流量均应技10~15L/s计焦

3、在计算公路隧道消防水池容量时,对上述条文存在两种不同理解
  (1)第一种理解:用水量应按10.2.6条计算即可,不加10.2.9条室外消火栓用水量(计算用水量时,不者虑洞内消火与洞外消火全过程、全流量同步使用)。
  (2)第二种理解:第10.2.9条未明确室外消火栓灭火用水量是否已含在第10.2.6条所述的用水量范围内,消防用水量应为10.2.6条与10.2.9条所需用水量之和。
    就公路隧道一次火灾消防用水量如何确定,贵单位作为该标准的主编单位,感请给予解释和澄清。
    致  感谢!

     中国公路工程咨询集团有限公司   2016 年2月15 日

3f4a3d24-1f52-4147-b7c6-1cc3c595b157.png
7a7f7d98-7a4d-4d3e-a70d-c2e409d55341.png


您需要登录后才可以回帖 登录 | 注册

本版积分规则

QQ|小黑屋|浙江给排水资料库 ( 浙ICP备17050246号-1 )

GMT+8, 2026-3-16 13:04 , Processed in 0.067057 second(s), 7 queries , File On.

Powered by Discuz! X3.4

Copyright © 2001-2023, Tencent Cloud.

快速回复 返回顶部 返回列表